HomePACESearch
ProjectsForumsSite Map

Current:
Level Down:

Wiring your MC68HC912B32


A first looking at the MC68HC912B32 looks dauting. But if you just take it one step at a time, things will slowly come together.

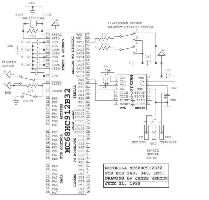
MC68HC912B32 Microcontroller
Diagram

Image courtesy of ECE Shop

Pin Description
HC912 Chip Pin #'s - In order as they appear on the ECE module Description
Pin 35 (LSTRB)'/PE3 - Low-Byte Strobe/Port E
Pin 37 (IRQ)'/PE1 - Maskable Interrupt Request pin/High voltage supply to EEPROM used for test purposes only in Special modes/Port E
Pin 39 ADDR8/DATA8/PA0 - External Address/Data Bus/Port A
Pin 41 ADDR10/DATA10/PA2 - External Address/Data Bus/Port A
Pin 43 ADDR12/DATA12/PA4 - External Address/Data Bus
Pin 45 ADDR14/DATA14/PA6 - External Address/Data Bus/Port A
Pin 47 VDD - Internal power and ground
Pin 49 VRH - Reference voltages for the analog-to-digial converter
Pin 51 PAD0/AN0 - Port AD/Analog inputs
Pin 53 PAD2/AN2 - Port AD/Analog inputs
Pin 55 PAD4/AN4 - Port AD/Analog inputs
Pin 57 PAD6/AN6 - Port AD/Analog inputs
Pin 59 VDDA - Operating voltage and ground for the analog-to-digital converter, allows the suppply voltage to the A/D to be bypassed independently
Pin 61 PS0 - Port Signals
Pin 63 PS2 - Port Signals
Pin 65 PS4 - Port Signals
Pin 67 PS6 - Port Signals
Pin 69 VFP - Programming voltage for the Flash EEPROM and required supply for normal operation
Pin 71 PDLC5 or PCAN5 - Port CAN
Pin 73 PDLC3 or PCAN3 - Port CAN
Pin 75 PDLC1 or TxCAN - transmit Port CAN
Pin 77 VSSX - External power and ground, supply to pin drivers
Pin 79 PP7 - Port P
Pin 01 PP5 - Port P
Pin 03 PW3/PP3 - Pulse Width Modulator channel outputs/Port P
Pin 05 PW1/PP1 - Pulse Width Modulator channel outputs/Port P
Pin 07 IOC0/PT0 - input capture and output compare/Port T
Pin 09 IOC2/PT2 - input capture and output compare/Port T
Pin 11 VSS - Internal power and ground
Pin 13 IOC4/PT4 - input capture and output compare/Port T
Pin 15 IOC6/PT6 - input capture and output compare/Port T
Pin 17 SMODN/BKGD - Mode Select/single-Wire Background Mode Pin
Pin 19 ADDR1/DATA1/PB1 - External Address/Data Bus
Pin 21 ADDR3/DATA3/PB3 - External Address/Data Bus/Port B
Pin 23 ADDR5/DATA5/PB5 - External Address/Data Bus/Port B
Pin 25 ADDR7/DATA7/PB7 - External Address/Data Bus/Port B
Pin 27 MODB/IPIPE1/PE6 - Mode Select/Instruction Queue Tracking Signals/Port E
Pin 29 ECLK/PE4 - E-Clock Output/Port E
Pin 31 VDDX - External power and ground, supply to pin drivers
Pin 36 R/(W)'/PE2 - Read/Write/Port E
Pin 38 (XIRQ)'/PE0 - Nonmaskable Interrupt/Port E
Pin 40 ADDR9/DATA9/PA1 - External Address/Data Bus/Port A
Pin 42 ADDR11/DATA11/PA3 - External Address/Data Bus/Port A
Pin 44 ADDR13/DATA13/PA5 - External Address/Data Bus/Port A
Pin 46 ADDR15/DATA15/PA7 - External Address/Data Bus/Port A
Pin 48 VSS - Internal power and ground
Pin 33 EXTAL - External Clock Input
Pin 34 XTAL - Crystal Driver
Pin 50 VRL - Reference voltages for the analog-to-digial converter
Pin 52 PAD1/AN1 - Port AD/Analog inputs
Pin 54 PAD3/AN3 - Port AD/Analog inputs
Pin 56 PAD5/AN5 - Port AD/Analog inputs
Pin 58 PAD7/AN7 - Port AD/Analog inputs
Pin 60 VSSA - Operating voltage and ground for the analog-to-digital converter, allows the suppply voltage to the A/D to be bypassed independently
Pin 62 PS1 - Port Signals
Pin 64 PS3 - Port Signals
Pin 66 PS5 - Port Signals
Pin 68 PS7 - Port Signals
Pin 70 PDLC6 or PCAN6 - Port CAN
Pin 72 PDLC4 or PCAN4 - Port CAN
Pin 74 PDLC2 or PCAN2 - Port CAN
Pin 76 PDLC0 or RxCAN - receive Port CAN
Pin 78 VDDX - External power and ground, supply to pin drivers
Pin 80 PP6 - Port P
Pin 02 PP4 - Port P
Pin 04 PW2/PP2 - Pulse Width Modulator channel outputs/Port P
Pin 06 PW0/PP0 - Pulse Width Modulator channel outputs/Port P
Pin 08 IOC1/PT1 - input capture and output compare/Port T
Pin 10 VDD - Internal power and ground
Pin 12 IOC3/PT3 - input capture and output compare/Port T
Pin 14 IOC5/PT5 - input capture and output compare/Port T
Pin 16 PAI/IOC7/PT7 - Pulse accumulator input/input capture and output compare/Port T
Pin 18 ADDR0/DATA0/PB0 - External Address/Data Bus/Port B
Pin 20 ADDR2/DATA2/PB2 - External Address/Data Bus/Port B
Pin 22 ADDR4/DATA4/PB4 - External Address/Data Bus
Pin 24 ADDR6/DATA6/PB6 - External Address/Data Bus/Port B
Pin 26 (DBE)'/PE7 - Data Bus Enable/Port E
Pin 28 MODA/IPIPE0/PE5 - Mode Select/Instruction Queue Tracking Signals/Port E
Pin 30 VSSX - External power and ground, supply to pin drivers
Pin 32 (RESET)' - reset

It may be helpful to take a look at the ECE Shop's pin Table


Initial Wiring - taking from ECE shop documentation
1. Apply +5V DC to ECE HC912 Chip pin #10, 31, 47, or 78. (Though ECE shop website says just to connect one, they are not interconnected on the module. This can be seen just by looking at their board, none of the connections cross as they run from the HC12 to the connection pins.)
2. Apply GND to HC912 Chip pin #11, 30, 48, or 77. (They are also not interconnected)
3. Establish boot mode as Debut-12 by connecting a 10K resistor from GND to pin #51 and 52.
4. Reseting and initialization is done by connecting pin #32 first to low and then high with a 10K resistor. GND and releasing the pin with the 10K resistor will reset the HC912.
5. Connect the serial RS-232 cable to the computer and the 3 pin female side to the HC912 module. This cable should have came with the HC912 when you got the microprocessor from ECE Shop.

IMPORTANT
Motorola recommends that VFP (pin 18 on Board, 69 on chip) be held at or above VDD at ALL times, otherwise damage to the chip can occur. They don't say why, but they also recommend that you don't leave it at 12V when you aren't programming it either. Connect it to VDD (5V) when you are running it normally.
This page created by: CJ Oster and Joe Ngai

Last Modified: April 17, 2003
Please contact Professor Gary Swenson (swenson1@uiuc.edu) to learn more about the course, or contact the webmaster (wiegert@uiuc.edu) with questions or comments about the web site.  Web Site designed by Purvesh Thakker.