One Unknown Resistance
sp2021
Resistance in a Circuit
Find the resistance over an unknown resistor
Learn It!
Pre-Requisite Knowledge
Goal
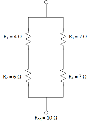
Find Resistance
Find the resistance across the unknown resistor
359x388px
Given the resistances of three elements, what must the resistance of the fourth element be to make the equivalent resistance equal to the desired value?
Part 1
Stretch the Circuit
This is the first step to most equivalent resistance problems. Redrawing and stretching out the circuit makes solving these problems easier.
305x414px
Luckily, we just need to bend the corners a little to get it to line up.
Part 2
Solving for the last resistor
Since one of the resistances is an unknown, we can't just reduce numerically, we have to use algebra to find the solution.
296x414px
We can see two easy series resistances, \(R_1\) and \(R_2\) are in series, and \(R_3\) is in series with the unknown \(R_4\).

We make our reductions, but we will do things symbolically. Let's use our new notation, and write it this way \(R_1+R_2\) should be read "Resistor 1 is in series with resistor two". When written symbolically in this context, the \(R's\) represent objects, not numbers.

This notation makes solving problems fast once you recognize combinations easily.
\[(R_1 + R_2) || (R_3 + R_4)\]
These combinations are immediately recognizable as parallel. To write this, we use the \(||\) symbol. This statement should be read "The series combination of \(R_1\) and \(R_2\) is in parallel with the series combination of \(R_3\) and \(R_4\)".
+
?
Order of operations for + and ||
\[R_{eq} = \dfrac {1}{\dfrac{1}{R_1 + R_2} + \dfrac{1}{R_3 + R_4}}\]
Let's turn this statement into an equation we can solve. We've got one equation with only one unknown \(R4\), so we are in the clear.
\[R_{eq} = \dfrac{(R_1 + R_2)(R_3+R_4)}{R_1+R_2+R_3+R_4}\]
Since we have exactly two elements in parallel, we can use the product-over-sum rule instead. It is often easier to manipulate that way.
\[ \begin {align} 10 &= &(4+6)*&\dfrac{2+R_4}{4+6+2+R_4} \\ 10 &= &(10)*&\dfrac{2+R_4}{12+R_4} \end{align} \]
We can work it totally symbolically, but let's plug in our knowns at this time. Since they can combine easily, we will have fewer symbols to manipulate. If these were not nice, whole numbers we would not want to do this yet.
\[2+R_4 = 12+R_4\]
Cancel the \(10\)'s and multiply both sides by the denominator
\[2 \neq 12 \\ \text {No Solution}\]
We arrive at the impossible answer \(2=12\). Since this is impossible, that means our original task was impossible.

There is no possible finite resistor \(R_4\) that can make the equivalent resistance equal \(10\) in this circuit

This problem solving strategy still works on problems that have solutions.
<