Current Divider Rule
Use CDR with a tricky circuit
Learn It!
Pre-Requisite Knowledge
To understand this section, you need to know the
following concepts:
Goal
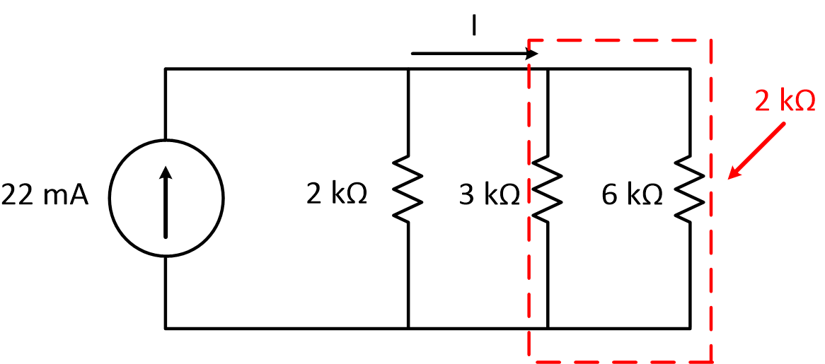
Using CDR
Using the Current Divider Rule and other tools you
have, find the value of I in the circuit below
\[ \begin{equation} a. 18 mA \\b. 11 mA \\c. 9mA \\d. 6mA \\e. 4mA
\end{equation} \]
Part 1
Using CDR
+
1A
Choose a solution strategy
We are tasked with finding the current in the labelled
segment of wire. It is unfortunately not the current through any one particular
resistor, so we will need to do a little more work.
Notice how this problem gives us a current
source and asks for a current through parallel resistors. This clues us in to wanting
to use the Current Divider Rule.
+
?
What about KCL?
We could have used KCL and Ohm's law to solve
this, but we would end up deriving the CDR along the way anyway. We don't want to
re-derive known principles in the time-limiting environment of an exam. Just use a
derived result, that's what it's for, saving time.
+
!
Proof
If you'd like to see the proof that derives the
CDR from the more fundamental Ohm’s law and KCL, click the link.
\(I_1=I_{total} \dfrac{R_1}{R_1+R_2}\)
This is the Current Divider Rule (CDR).
\(R_2\) is the equivalent resistance of the rest of the resistors
parallel to \(R_1\)
Currents in parallel resistors have this special
relationship.
The way the CDR is usually written (applied to the leftmost
resistor in a parallel) , it would output the current through the \(2 \Omega\) resistor.
but what we want is the total current going through the \(3 \Omega\) and \(6 \Omega\)
resistors.
That's OK, though, we can use that information to get what we want using KCL.
That's OK, though, we can use that information to get what we want using KCL.
\(R_{eq}=\dfrac{1}{ \dfrac{1}{3}+\dfrac{1}{6} }=2\)
We need the equivalent resistance of the right two resistors to
make this happen.
By coincidence, the equivalent resistance of the two rightmost
resistors is exactly that of the left resistor.
In this situation, we won't have to use KCL after all.
In this situation, we won't have to use KCL after all.
★
\[I= 11mA\]
When two equal valued resistors are in parallel, they split
the current evenly. Since we are splitting \(22mA\) in half, both halves of the circuit
get \(11mA\).
It is important to take advantage of special features of particular
problems, it can save precious minutes on an exam. If the left resistor were \(2.1\) instead of
\(2\), we would not have been able to use this time-saving trick.

