Almost a Voltage Level Indicator
Find the current across a voltage source in a diode circuit
Learn It!
Pre-Requisite Knowledge
To understand this section, you need to know the following
concepts:
- Diodes
- Ohm's Law
- KVL
Goal
Almost a Voltage Level Indicator
What is the current, \(I\) supplied by the voltage source if \(V_{on} = 0.7V\)
What is the current, \(I\) supplied by the voltage source if \(V_{on} =
0.7V\)
\( \begin{equation} a. -10 mA \\ b. 0 mA \\ c. 30 mA \\ d. 70 mA \\ e. 200 mA \end{equation} \)
\( \begin{equation} a. -10 mA \\ b. 0 mA \\ c. 30 mA \\ d. 70 mA \\ e. 200 mA \end{equation} \)
As with any problem with diodes and DC sources, we start by guessing. But I'm not sure what to guess, so I'm going to reshape the circuit a little.
+
1A
Transform the circuit to make it easier to analyze
Slide one diode around the corner
Slide the junction around the corner
And clean it up a little more by doing another slide for the top diode and sliding the junction around on bottom.
★
The circuit looks like this when fully transformed.
Part 2
Guess and Check
Now it is time to guess. The top one is next to the battery, which has a voltage of more than \(0.7 V\), so
I'll guess that it is on.
The second diode is a tougher choice. I start off with \(1.0V\), and I guessed that the first diode was ON, so that uses up \(0.7\) of my \(1.0 V\). With only \(0.3\) left over, I'm going to guess that the second diode is OFF.
The second diode is a tougher choice. I start off with \(1.0V\), and I guessed that the first diode was ON, so that uses up \(0.7\) of my \(1.0 V\). With only \(0.3\) left over, I'm going to guess that the second diode is OFF.
+
Step 1
Compute quantities based on guess
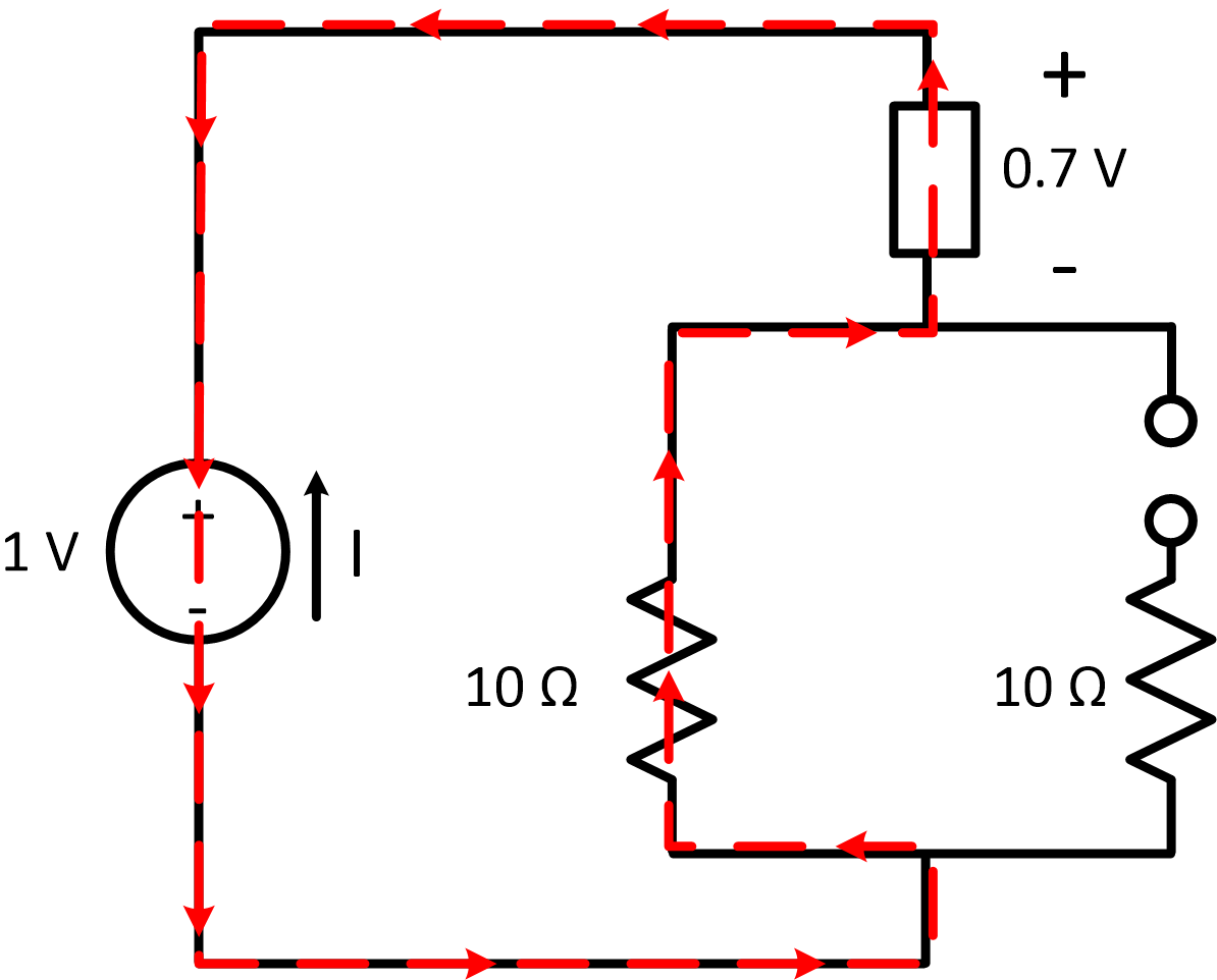
Replace the diodes with a generic element and an open
circuit.
Now we need to check to see if KCL and KVL are satisfied. If they
aren't, we made a wrong guess and have to try again.
\[ \begin{align} 1-0.7-10 \cdot I &=& 0 \\ -10 I &=&
-0.3 \\ I &=& 0.03 \end{align} \]
Write down KVL, subtract over the \(1 - 0.7\) and then divide over
This might be our final answer if the other diode is correctly assigned.
This might be our final answer if the other diode is correctly assigned.
+
Step 2
Check guess using KVL
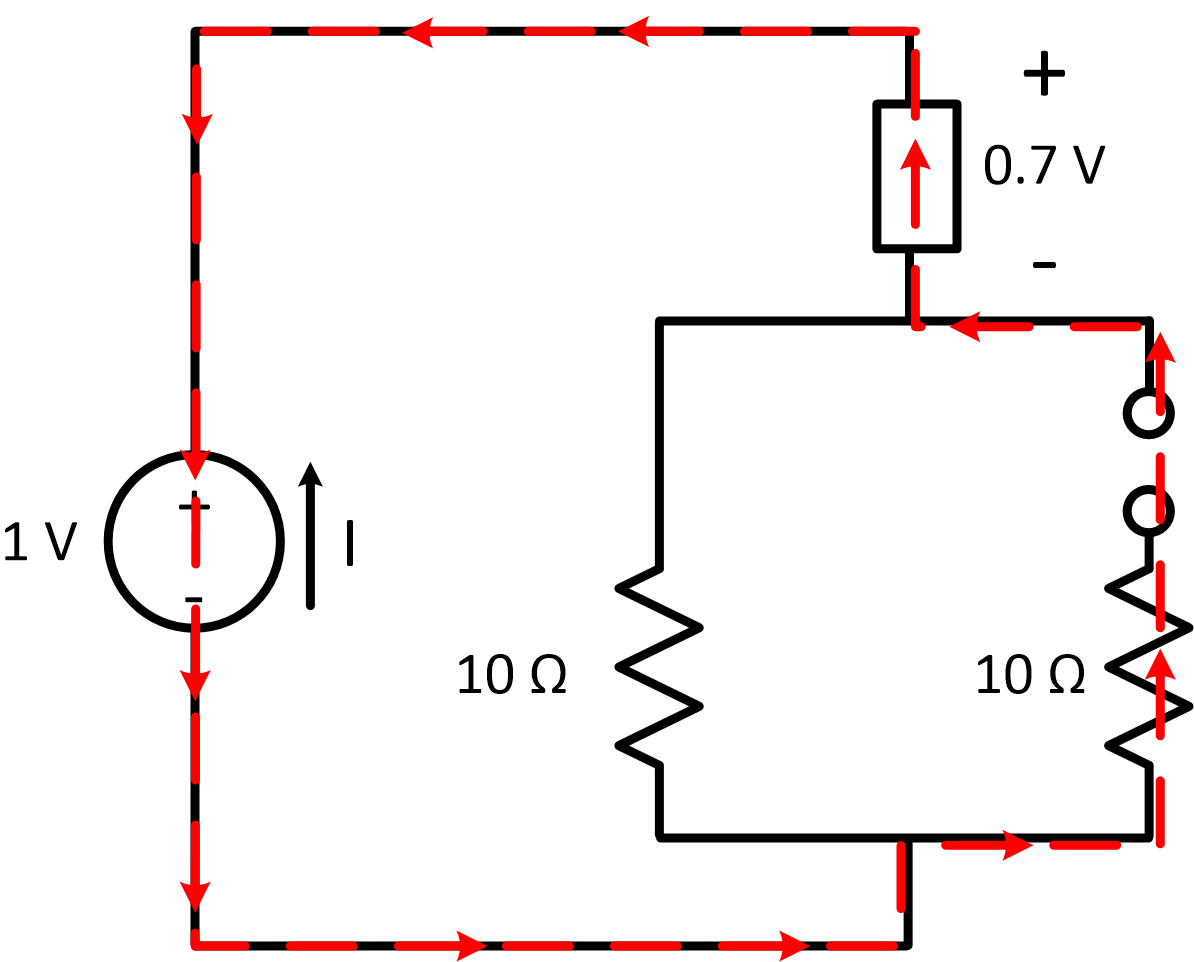
Now, let's check that the other diode with a loop
We know that the current in the right resistor is zero, so it's voltage will be zero as well. Anything in series with an open circuit has zero current.
We know that the current in the right resistor is zero, so it's voltage will be zero as well. Anything in series with an open circuit has zero current.
\(1-0.7-V_D -0 = 0\)
Write down KVL
\(V_D = 0.3\)
Move \(V_D\) to the other side. We arrive at a solution consistent with our guess. We Guessed Right.
★
\(I = 0.03\)
Since our guess satisfied Kirchoff's laws, we are correct. The current we found before is the correct answer.

